SGC-001 BR Cam Bağlantı Elemanı Cam-Duvar
SGC-001 BR Cam Bağlantı Elemanı Cam-Duvar
SGC-001 BR Cam Bağlantı Elemanı Cam-Duvar

SGC-001 BR Cam Bağlantı Elemanı Cam-Duvar (SGC-001 BR)

Fiyat : ₺0,00  + KDV
KDV Dahil : ₺0,00

Duşakabin Cam Bağlantı Elemanı Cam-Duvar

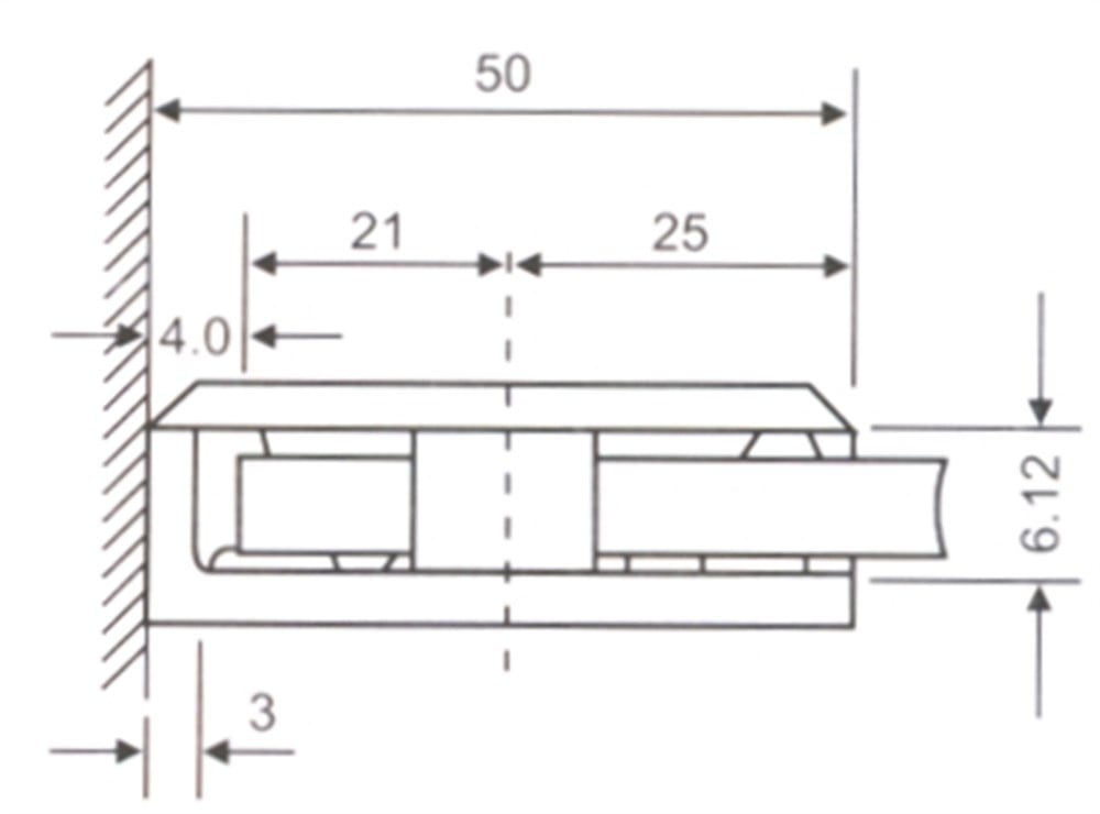
Özellikler :

8-12 mm Cam Kalınlığı için Uygundur

Paslanmaz 304 

Yüzey : Krom , Saten

Ölçüler : 50*50 mm


 

 

 
cultureSettings.RegionId: 0 cultureSettings.LanguageCode: TR